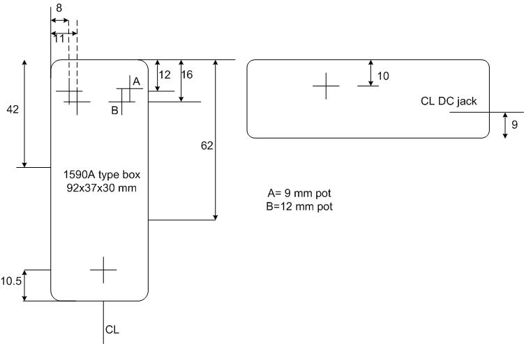
1590A drilling template?
Moderator: Ghost Hip
Forum rules
The DIY forum is for personal projects (things that are not for sale, not in production), info sharing, peer to peer assistance. No backdoor spamming (DIY posts that are actually advertisements for your business). No clones of in-production pedals. If you have concerns or questions, feel free to PM admin. Thanks so much!
The DIY forum is for personal projects (things that are not for sale, not in production), info sharing, peer to peer assistance. No backdoor spamming (DIY posts that are actually advertisements for your business). No clones of in-production pedals. If you have concerns or questions, feel free to PM admin. Thanks so much!
- GiAnt_ROboT
- committed

- Posts: 214
- Joined: Mon Sep 20, 2010 11:28 pm
1590A drilling template?
Does anyone know where I could find one?
- greeny23
- experienced

- Posts: 612
- Joined: Wed Feb 23, 2011 5:28 pm
- Location: Sydney, Australia
- GiAnt_ROboT
- committed

- Posts: 214
- Joined: Mon Sep 20, 2010 11:28 pm
Re: 1590A drilling template?
One knob and an LED would be awesome
- Jero
- IAMILFFAMOUS

- Posts: 11288
- Joined: Fri Mar 12, 2010 1:12 am
- Location: here
Re: 1590A drilling template?
"1590a template" on google gives you...

I make noise toys under Stomping Stones
[url=http://www.stompingstones.com[/url]
[url=http://www.stompingstones.com[/url]
oldangelmidnight wrote:This is the classic ILF I love. Emotional highs and lows. Scooped mids in my heart all day long.
