Ok. i got a ds-1 wich i install a spst switch so i can take out and put back in the d5 diode. (two 2n4001 in series). my wiring goes like this.
from the positive side of d5 on the board, i got a wire that is soldered to the middle lug of the switch. then the positive side of the diodes in series to one of the remaining lug of the switch to the negative side of d5 on the board. according to me, when the switch is on the position that activate the lug that got the diodes it is suppose to integrate the diodes in the signal but when the switch is on the other side (the empty lug) isn't it suppose to take out the diodes from the signal and have a lesser disortion sound?? Right now, the switch either way, does not affect the sound. or i can't hear a difference.
please do chime in and teach me!!!
someone has to teach me!!!
Moderator: Ghost Hip
Forum rules
The DIY forum is for personal projects (things that are not for sale, not in production), info sharing, peer to peer assistance. No backdoor spamming (DIY posts that are actually advertisements for your business). No clones of in-production pedals. If you have concerns or questions, feel free to PM admin. Thanks so much!
The DIY forum is for personal projects (things that are not for sale, not in production), info sharing, peer to peer assistance. No backdoor spamming (DIY posts that are actually advertisements for your business). No clones of in-production pedals. If you have concerns or questions, feel free to PM admin. Thanks so much!
- fuzzmax
- experienced

- Posts: 917
- Joined: Tue Apr 06, 2010 7:30 am
- Location: Joliette, Quebec
- jfrey
- Supporter

- Posts: 5240
- Joined: Wed Apr 14, 2010 10:58 am
- Location: Boston, MA
Re: someone has to teach me!!!
Draw a picture in paint of how you have things set up and post it here.
D.o.S. wrote:You're like a walking Mad Men episode.
BitchPudding wrote:DO WHAT MUST BE DONE, LORD JFREY.
My music rec Twitter: https://twitter.com/MostlyEssentialfriendship wrote:one cool thing about living is that things get worse and worse and worse until you die
- fuzzmax
- experienced

- Posts: 917
- Joined: Tue Apr 06, 2010 7:30 am
- Location: Joliette, Quebec
Re: someone has to teach me!!!
jfrey wrote:Draw a picture in paint of how you have things set up and post it here.
sorry for the bad drawing but i think it explain well what my question is. And i want to know what the proper wiring is.
thanx
- jfrey
- Supporter

- Posts: 5240
- Joined: Wed Apr 14, 2010 10:58 am
- Location: Boston, MA
Re: someone has to teach me!!!
Shouldn't there only be 1 diode at D5? Or is adding the second one part of the mod you're doing?
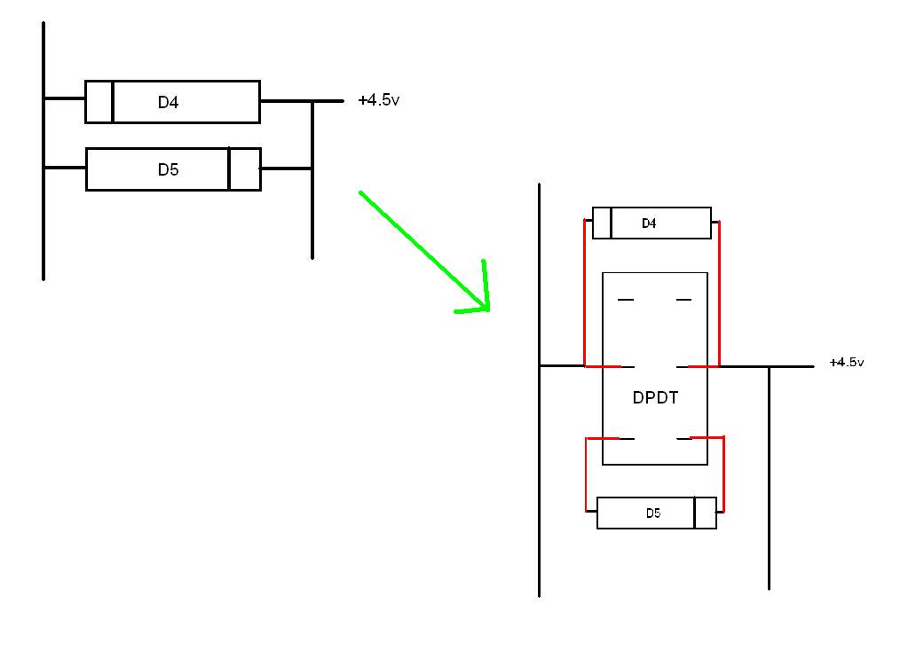
I drew the images below using only 1 at D5 after looking at a schem for the DS1. I looked up the 2n4001 and that seems to be a transistor code. I'm pretty sure the diodes are supposed to be 1n4148.
I'm a noob so somebody help us out. I think either of these should work.
Or
?
I drew the images below using only 1 at D5 after looking at a schem for the DS1. I looked up the 2n4001 and that seems to be a transistor code. I'm pretty sure the diodes are supposed to be 1n4148.
I'm a noob so somebody help us out. I think either of these should work.
Or
?
D.o.S. wrote:You're like a walking Mad Men episode.
BitchPudding wrote:DO WHAT MUST BE DONE, LORD JFREY.
My music rec Twitter: https://twitter.com/MostlyEssentialfriendship wrote:one cool thing about living is that things get worse and worse and worse until you die
- fuzzmax
- experienced

- Posts: 917
- Joined: Tue Apr 06, 2010 7:30 am
- Location: Joliette, Quebec
Re: someone has to teach me!!!
oops.....the diodes are 1n4001 (rectifier). And yes, replacing the 1n4148 is the mod.
- eatyourguitar
- IAMILFFAMOUS

- Posts: 3127
- Joined: Sun Oct 03, 2010 12:37 pm
- Location: USA, RI
Re: someone has to teach me!!!
1n4001 and 1n4148 are very close. you should be able to substitute one for the other without any problems.
WWW.EATYOURGUITAR.COM <---- MY DIY STUFF