LED indicator help

Do-it-yourself pedal building

Moderator: Ghost Hip

Forum rules
The DIY forum is for personal projects (things that are not for sale, not in production), info sharing, peer to peer assistance. No backdoor spamming (DIY posts that are actually advertisements for your business). No clones of in-production pedals. If you have concerns or questions, feel free to PM admin. Thanks so much!
User avatar
the Life Aquatic
FAMOUS
FAMOUS
Posts: 1152
Joined: Wed Jun 30, 2010 1:09 am

LED indicator help

Post by the Life Aquatic »

I was building a pedal using culture jams dead easy dirt schem and was was going to add two dpdt switched add the two diodes and or LEDs to the circuit or bypass both. Image
Will this work?
using that layout, when the switch is on, the diodes/LEDs will be in the circuit and the LED on, but when the switch is in the off position the LED is off and the diodes/LED is bypassed? Any input is appreciated. Thanks
User avatar
smallsnd/bigsnd
IAMILFFAMOUS
IAMILFFAMOUS
Posts: 3981
Joined: Sat Nov 29, 2008 12:57 pm

Re: LED indicator help

Post by smallsnd/bigsnd »

that works as a simple bypass, but it won't turn the LED on.
to turn an LED on as well you need another pole on your switch
User avatar
the Life Aquatic
FAMOUS
FAMOUS
Posts: 1152
Joined: Wed Jun 30, 2010 1:09 am

Re: LED indicator help

Post by the Life Aquatic »

so ill need two 3dpt switches instead?
User avatar
smallsnd/bigsnd
IAMILFFAMOUS
IAMILFFAMOUS
Posts: 3981
Joined: Sat Nov 29, 2008 12:57 pm

Re: LED indicator help

Post by smallsnd/bigsnd »

although i don't get exactly what you want to do - you want to switch out the diodes to ground at the end of the circuit? you should just switch both out at once.
and i realized... with where the diodes are placed, you could switch them in/out and light an LED with a DPDT.

like this: (the numbers correspond to the lugs on the DPDT)

1 4
2 5
3 6

1. not connected
2. to negative leg of the 2.2uf
3. to the diodes, which are connected as shown in the schem
4. not connected
5. to the cathode of the LED
6. to ground
User avatar
the Life Aquatic
FAMOUS
FAMOUS
Posts: 1152
Joined: Wed Jun 30, 2010 1:09 am

Re: LED indicator help

Post by the Life Aquatic »

what is the other end of the LED connected too, ground?
User avatar
the Life Aquatic
FAMOUS
FAMOUS
Posts: 1152
Joined: Wed Jun 30, 2010 1:09 am

Re: LED indicator help

Post by the Life Aquatic »

heres the layout i got, i have a bunch of leds and diodes so i figured itd be kind of cool to toss in set od leds into the circuit with another switch, this way i can experiment with diff combinations of leds and diodes, switching them on and off, and what not. is the layout right? will it work the way i have it wired up? this is my first circuit where i added something i created, i.e. the two switches, so bear with me, but hey, u learn by doing. :)
Attachments
Untitled.jpg
Untitled.jpg (33.16 KiB) Viewed 1716 times
User avatar
Teej212
FAMOUS
FAMOUS
Posts: 1675
Joined: Sun Jun 14, 2009 5:08 pm
Location: NJ

Re: LED indicator help

Post by Teej212 »

this should work:

edit: i think thats what your asking...
Attachments
adsfasdf.JPG
adsfasdf.JPG (18.35 KiB) Viewed 1713 times
User avatar
smallsnd/bigsnd
IAMILFFAMOUS
IAMILFFAMOUS
Posts: 3981
Joined: Sat Nov 29, 2008 12:57 pm

Re: LED indicator help

Post by smallsnd/bigsnd »

i guess what i'm trying to figure out is whether or not you want those LEDs to light up?
if so, then the layout you made will work just fine, although flip the LED around so you connect the negative leg to the switch. the positive leg goes to a 4.7k resistor (or so) which connects to 9v+.
User avatar
the Life Aquatic
FAMOUS
FAMOUS
Posts: 1152
Joined: Wed Jun 30, 2010 1:09 am

Re: LED indicator help

Post by the Life Aquatic »

the two leds that are sitting together are not meant to light up, theyre just used as diodes, and i wanted the two dpdt switches to let me turn the leds and/or diodes on and put them into the circuit.
User avatar
smallsnd/bigsnd
IAMILFFAMOUS
IAMILFFAMOUS
Posts: 3981
Joined: Sat Nov 29, 2008 12:57 pm

Re: LED indicator help

Post by smallsnd/bigsnd »

the Life Aquatic wrote:the two leds that are sitting together are not meant to light up, theyre just used as diodes, and i wanted the two dpdt switches to let me turn the leds and/or diodes on and put them into the circuit.


yeah i understand the led pair is used as clipping diodes, but do you want LED indicators as well? that's the way i was showing you...

the way you drew it + the addition of
smallsnd/bigsnd wrote:flip the LED around so you connect the negative leg to the switch. the positive leg goes to a 4.7k resistor (or so) which connects to 9v+.
will let you switch in/out either pair of diodes and will also turn on an indicator LED.

i think we're on the same page. :lol:
User avatar
the Life Aquatic
FAMOUS
FAMOUS
Posts: 1152
Joined: Wed Jun 30, 2010 1:09 am

Re: LED indicator help

Post by the Life Aquatic »

okay, ya i was trying to get LED indicators to show which is being used the leds or the diodes, did realize i had the led on the witch backwards lol, i did that layout late last night. as soon as the switches arrive i will be wiring up everything. ill post pics, possibly a demo, but my recording setup sucks so i may omit it depending on the quality i get
User avatar
the Life Aquatic
FAMOUS
FAMOUS
Posts: 1152
Joined: Wed Jun 30, 2010 1:09 am

Re: LED indicator help

Post by the Life Aquatic »

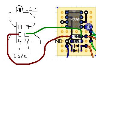
heres an updated layout
Attachments
dead easy.jpg
dead easy.jpg (28.89 KiB) Viewed 1688 times
User avatar
smallsnd/bigsnd
IAMILFFAMOUS
IAMILFFAMOUS
Posts: 3981
Joined: Sat Nov 29, 2008 12:57 pm

Re: LED indicator help

Post by smallsnd/bigsnd »

the updated layout is perfect.
i want to add as well that i think when both sets of diodes are switched in it won't really make a huge difference since the silicon has a lower clipping threshold than the LEDs. if i were doing this, i would use a center off switch so you can have LED, silicon or none on a single switch with 2 indicator LEDs.

if you think about doing it that way, you would wire it like:

14
25
36

1. to diode pair
2. to negative leg of output capacitor
3. to LED pair
4. to negative leg of one LED
5. to ground
6. to negative leg of the other LED

:thumb:
User avatar
the Life Aquatic
FAMOUS
FAMOUS
Posts: 1152
Joined: Wed Jun 30, 2010 1:09 am

Re: LED indicator help

Post by the Life Aquatic »

what if im using germanium diodes
User avatar
smallsnd/bigsnd
IAMILFFAMOUS
IAMILFFAMOUS
Posts: 3981
Joined: Sat Nov 29, 2008 12:57 pm

Re: LED indicator help

Post by smallsnd/bigsnd »

people have a lot of ideas about clipping diodes, so i think the best thing for you to do is try them out and decide what you like! you can always just take them out...
Post Reply