My uncle gave me his old Magnatone Estey T32. Thing has't worked in years. He gave it to some random friend of his to fix up, but with no success. Gave it to me to fix as a project. Get to keep the amp once I fix it.
My first idea is to replace all the tubes. I'm in the process of purchasing new ones. But I while removing the old ones, I noticed one of the transformers wasn't lookin too good.
I'm wondering if this could be a possible problem. Any help would be appreciated! Thanks!
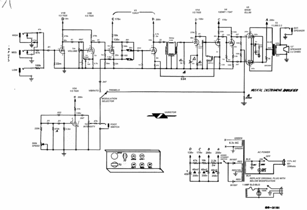
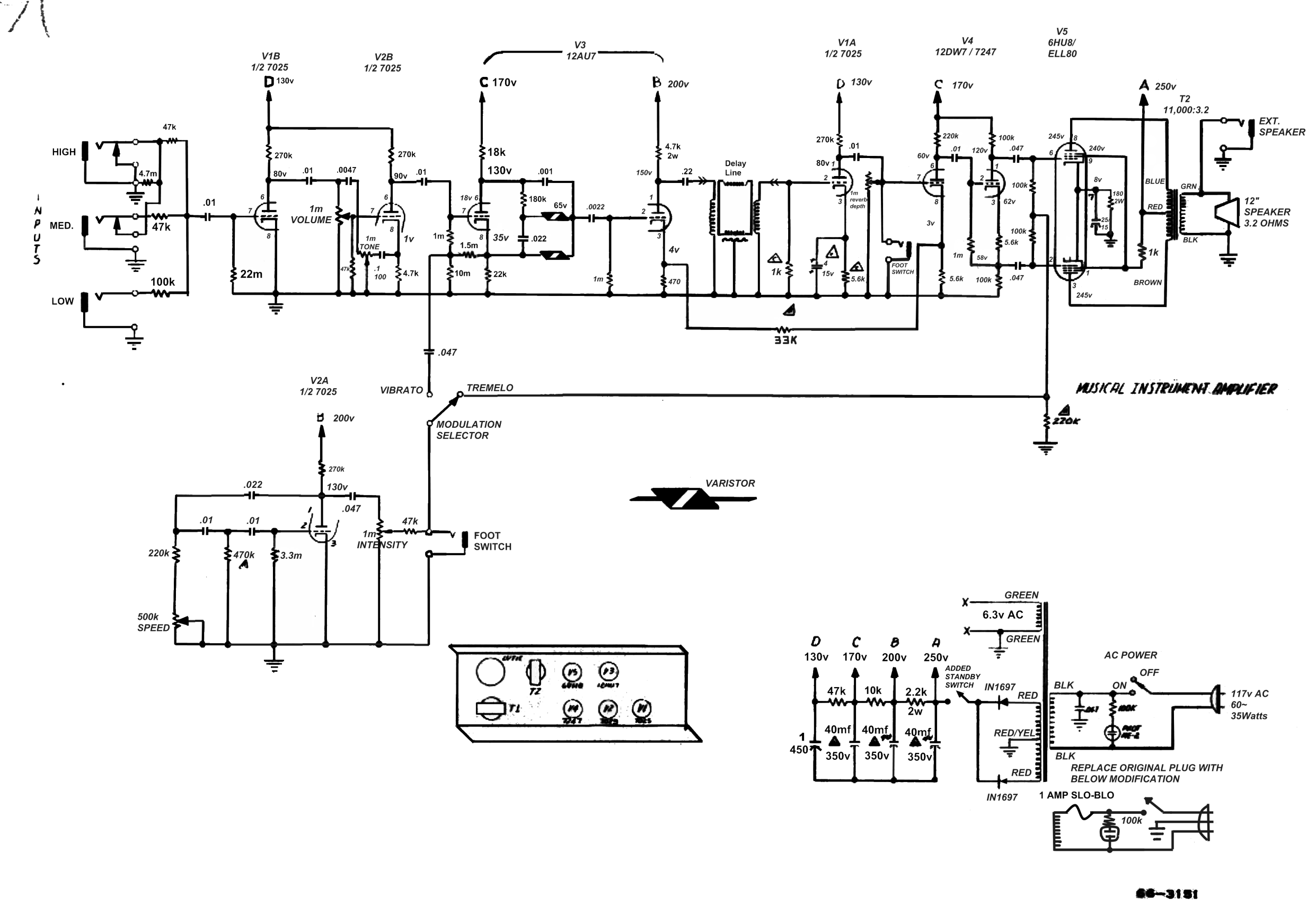
Magnatone Estey T32 transformer
Moderator: Ghost Hip
- fuzzywolf
- committed

- Posts: 167
- Joined: Tue Jul 17, 2012 11:52 pm
- Location: Pittsburgh, PA
- Chankgeez
- IAMILFFAMOUS

- Posts: 42280
- Joined: Tue Oct 11, 2011 1:40 am
- Location: https://www.youtube.com/watch?v=FGhbeHujNZQ youtube.com/watch?v=V-2l7kkBURc
Re: Magnatone Estey T32 transformer
Yeah, that's lookin' pretty sad. I'd replace it (although I've got no suggestions as to exactly what with).
…...........................…psychic vampire. wrote:The important take away from this thread: Taoism and Ring Modulators go together?
Sweet dealin's: here
"Now, of course, Strega is not a Minimoog… and I am not Sun Ra" - dude from MAKENOISE
#GreenRinger
- metalmariachi
- IAMILFFAMOUS

- Posts: 3079
- Joined: Sun Nov 26, 2006 6:46 am
- Location: Maryland
Re: Magnatone Estey T32 transformer
you need to check it out with the new tubes before randomely changing things.
proper trouble shooting will identify the problem and the solution.
don't know how?
check AEC's (antique electronics ) book section read read read.
MM
proper trouble shooting will identify the problem and the solution.
don't know how?
check AEC's (antique electronics ) book section read read read.
MM
金属マリアッチ
MARIATCHIMETARU
"First we have to make you pretty"
MARIATCHIMETARU
"First we have to make you pretty"
- Chankgeez
- IAMILFFAMOUS

- Posts: 42280
- Joined: Tue Oct 11, 2011 1:40 am
- Location: https://www.youtube.com/watch?v=FGhbeHujNZQ youtube.com/watch?v=V-2l7kkBURc
Re: Magnatone Estey T32 transformer
metalmariachi wrote:you need to check it out with the new tubes before randomely changing things.
I didn't mean to suggest randomly changing out amp parts, MM.
Should've been more clear about that.
I'd take it to an amp tech and have 'em sort it out. Estey T32s aren't exactly common amps, but I'm sure any qualified amp tech'd be able to figure things out.
(BTW, that transformer looks a little underpowered anyway. Could possibly stand for a slight upgrade?)
…...........................…psychic vampire. wrote:The important take away from this thread: Taoism and Ring Modulators go together?
Sweet dealin's: here
"Now, of course, Strega is not a Minimoog… and I am not Sun Ra" - dude from MAKENOISE
#GreenRinger
- metalmariachi
- IAMILFFAMOUS

- Posts: 3079
- Joined: Sun Nov 26, 2006 6:46 am
- Location: Maryland
Re: Magnatone Estey T32 transformer
Interesting amp, true pitch shift vibrato BTW.
Always wanted to build a 50 or 100 watt version.
MM
金属マリアッチ
MARIATCHIMETARU
"First we have to make you pretty"
MARIATCHIMETARU
"First we have to make you pretty"